Hlídače přetrhu textilního vlákna BQ
1. Použití
Čidla řady BQ jsou určena pro hlídání přítomnosti vlákna na prstencových skacích strojích. S výhodou je lze použít i na jiných strojích a zařízeních, kde je třeba hlídat kmitání vlákna nebo předmětu.
2. Popis
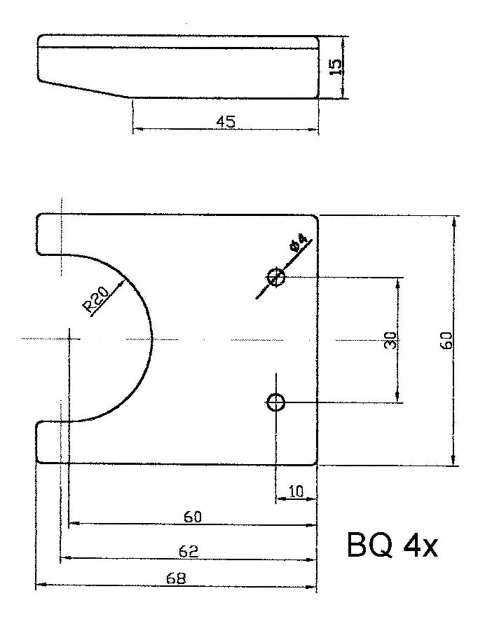
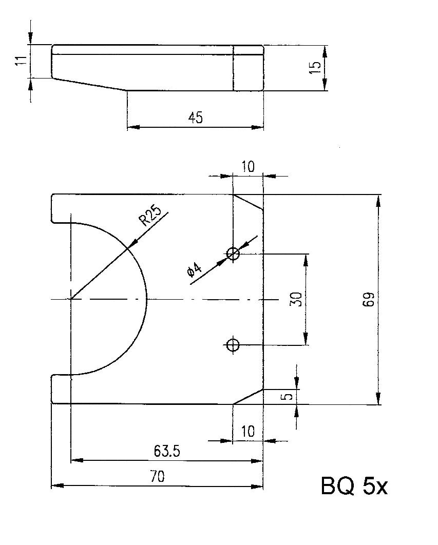
Čidlo BQ tvoří plastový výlisek podkovovitého tvaru, v němž je uložena elektronika. Součástí čidla je přívodní kabel zakončený lisovacími špičkami nebo konektorem. V oblouku podkovy je umístěn fotoelektrický vysílač a přijímač, mezi nimiž se nachází pracovní prostor snímače. V tělese snímače jsou dva otvory pro připevnění čidla a dvě kontrolní svítivé diody. Červená dioda HL1 (vlevo při pohledu z pracovního prostoru) signalizuje nepřítomnost kmitavého pohybu v pracovním prostoru . Svítivá dioda vpravo HL2 slouží pro signalizaci stavů nadřazeného zařízení dle potřeby uživatele. Vstup pro napájení je chráněn proti přepólování.
3. Technické údaje
Pracovní a skladovací podmínky.
Správná a bezporuchová činnost je zaručena za předpokladu, že jsou dodrženy následující podmínky:
- teplota pracovního prostředí 0 – 450 C
- tlak vzduchu 85 – 106 kPa
- relativní vlhkost je max. 95 % , přičemž abs. vlhkost okolí nesmí překročit 40 g/m3
- minimální vzdálenost od světelného zdroje za provozu (zářivka 40W) je 1metr.
- čidlo je třeba skladovat v suchých, čistých a větraných místnostech bez agresivních plynů, při teplotě –20 až +550 C a rel. vlhkosti 40 až 85%.
Technické parametry
| Provedení | BQxx 12V | BQxx 24V |
| Napájecí napětí | 10 - 15 V | 21 - 27V |
| Odběr ze zdroje | max. 45mA | max. 45mA |
| Využitelný pracovní prostor | 40/50 mm | 40/50 mm |
| Průměr clonícího vlákna | min. 0,1 mm | min. 0,1 mm |
| Kmitočet clony pro trvale sepnutý výstup | 2 - 200 Hz * | 2 - 200 Hz * |
| Zpoždění reakce výstupu | 0,7 s * | 0,7 s * |
| Stupeň krytí | IP 30 | IP 30 |
Pozn.: * lze změnit po dohodě s výrobcem
BQ x6P – výstup je tvořen otevřeným emitorem tranzistoru (24V / 100mA) , společný + pól napájení. Při přítomnosti kmitajícího vlákna je tranzistor sepnutý, HL1 nesvítí
BQ x7 - výstup tvoří kontakt relé (DC 24V/0,5A, AC 120V/0,5A R zátěž), při objednávce je nutno udat, které kontakty mají být vyvedeny, spínací (při přítomnosti kmitajícího vlákna je sepnut), rozpínací nebo přepínací. Signalizace HL2 může být sdružena s HL1, nebo ze vstupu IN
BQ47Z - stejné provedení jako BQx7, doplněné obvodem pro zpožděný začátek hlídání (např. při rozběhu stroje).
BQ x8 – výstup je tvořen anodou tyristoru (24V/ 20mA). Tyristor sepne v okamžiku zániku kmitání vlákna, Současně se rozsvítí HL1.
BQ x8N - výstup jako BQ x8. Připojením vstupu IN na GND lze zkrátit reakci výstupu (časovou konstantu), přitom poblikává HL2 v rytmu kmitání vlákna.


4. Pokyny pro montáž
Čidlo se připevňuje dvěma svorníky M3, tak aby pohybující se hlídané vlákno protínalo osu optických prvků. Přívodní kabel připevněte tak, aby nebyl namáhán na vytržení.
5. Opravy
Čidlo nevyžaduje žádné nastavení v průběhu provozu. Případné závady se doporučuje řešit výměnou čidla a vadné čidlo zaslat výrobci do opravy. Jakýmkoli zásahem do přístroje ztrácí odběratel záruční nároky.
6. Specifikace objednávky
BQ xxx xx V (x, l)
......1.2...3.....4..5...
1.Rozteč pracovního prostoru čidla (4, 5) cm
2. Typ snímače dle provedení výstupu (6, 6P, 7, 7Z, 7S, 8, 8N, )
3. Napájecí napětí (12V, 24V)
4. Zakončení kabelu (P-špičky, K-konektor SVS5, X-konektor XLS, F-fastony)
5. Délka přívodního kabelu v cm
Provedení zpětné signalizace ze vstupu IN (barva a zapojení svítivé diody HL2) po dohodě s výrobcem.
8. Dodací lhůty
Dodací lhůty : Do počtu 200 ks ….1 měsíc, větší dodávky je třeba konzultovat s výrobcem.
Kontakt:
Ing. Zdeněk Stříbrný
Sportovní 268, 664 43 Želešice
tel: +420 603 728 936
e-mail:
Reference

